news_header_top
16+
news_header_bot
news_top

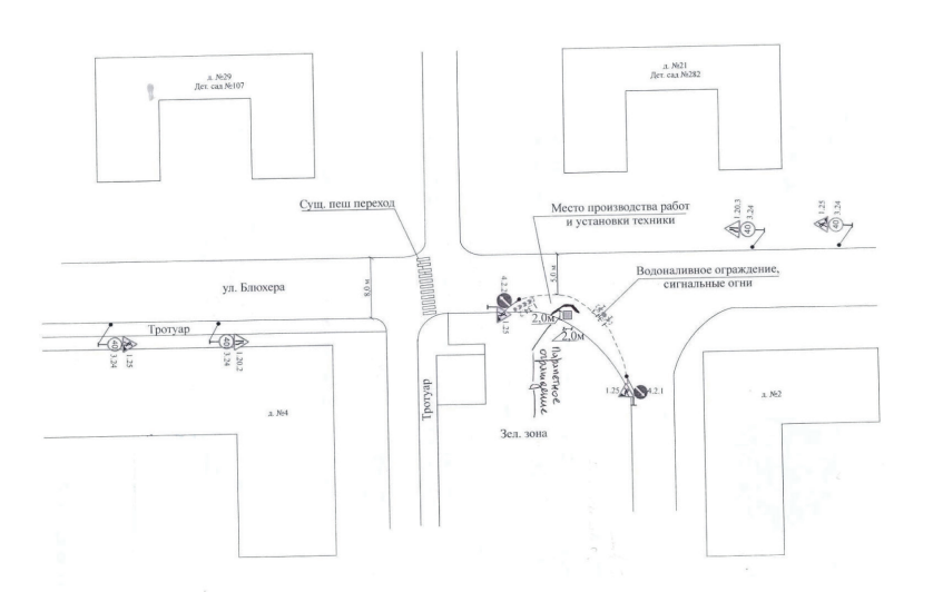
В Казани на две недели будет ограничено движение по улице Блюхера

Читайте нас в

В Казани на две недели будет частично ограничено движение транспорта и пешеходов по улице Блюхера. Соответствующее распоряжение опубликовано в электронном сборнике правовых актов. 

Временные неудобства связаны с тем, что рядом с домом №4 проводятся работы по строительству водопровода и хозяйственно-бытовой канализации. Участок будет недоступен для автомобилей и пешеходов с 7 по 22 декабря.  

Фото: скриншот электронного сборника

 

news_right_1
news_right_2
news_bot